Schaltung

Übersicht der Solarthermieanlage

Arbeitweise der Anlage

Beschreibung der Reglung

Fotos der Dächer

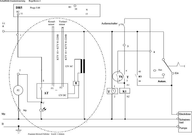
Steuerung der Solarthermikanlage

Sonne